有容微推出GM502xx系列时钟缓冲器,专为AI/HPC计算与数据中心设计,全面支持PCIe 6.0/7.0
在人工智能、高性能计算及数据中心技术飞速发展的驱动下,系统对时钟信号的完整性、同步精度与抗干扰能力提出了更为严苛的要求。为应对这一挑战,有容微电子今日正式推出全新一代高性能时钟缓冲器芯片——GM502xx系列。该系列产品专为PCIe 6.0及未来7.0标准打造,以卓越的信号性能与系统兼容性,为国内AI/HPC、数据中心及高端通信设备提供了高可靠的核心时钟解决方案。
计算架构正朝着大规模并行与资源池化方向演进,PCIe标准也随之快速迭代。从PCIe 5.0的32 GT/s NRZ编码,到PCIe 6.0及7.0的64 GT/s、128 GT/s PAM4编码,数据传输速率倍增的同时,信号对噪声的敏感度也急剧增加。这给时钟缓冲器芯片带来了三大核心挑战:极致的低抖动性能、高超的多通道同步精度,以及在复杂高噪声环境下的稳定运行能力。
GM502xx系列通过多项自主创新技术,成功实现了关键性能的突破,全面应对上述挑战:
超低附加抖动:采用先进的时钟净化与抖动抑制技术,典型PCIe 6 和PCIe 7附加抖动低于 3 fs RMS,显著优于PCIe 6.0/7.0最严苛规范要求,为高速链路提供充足的时序裕量。
高超同步精度:通过精密的内部走线与延时校准机制,实现同一芯片内各通道间偏移 < 50 ps,确保GPU集群、存储阵列等多设备间时钟相位高度一致,提升系统协同效率。
卓越兼容与易用性:硬件引脚与软件寄存器全面兼容市场主流型号RC190xx,支持客户在不修改设计与固件的前提下实现快速导入与性能升级。
强大抗干扰能力:采用先进的电源噪声抑制技术,电源抑制比(PSRR)优于-60dB,能在数据中心高噪声、高密度环境中保持信号纯净。
完善监测保护:支持LOS(Loss Of Signal detection)、PDT(Power Down Tolerant)、FSS(Flexible Startup Sequencing)及ACP(Automatic Clock Parking)等功能,增强系统鲁棒性,保障关键业务连续运行。
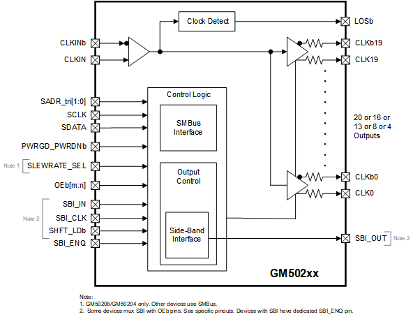
图2:芯片功能框图
附加抖动是衡量时钟缓冲器性能的关键指标,指芯片在分配时钟信号时自身引入的时序误差。无锡有容微电子的GM502xx芯片具备超低附加抖动特性,在信号分配过程中增加的抖动极低,这为系统设计提供了充足的时序裕量,对保持高速通信系统的信号完整性至关重要。
图3: GM50220 Demo
图4:测试结果(浅蓝色输入,蓝色输出)
有容微电子拥有覆盖时钟产生、抖动清除到时钟缓冲的全链路时钟产品线,为系统提供核心时序保障。针对高速互联演进需求,以下PCIe 5.0/6.0/7.0时钟缓冲器选型表可供参考:
图5:PCIe 5.0/6.0/7.0时钟缓冲器选型表
厦门唯样ONEYAC电子元器件平台,主营元器件代理,现货库存,自营仓储,厦门仓/香港仓直发,原厂官方授权,当天发货,渠道来源可追溯,快速BOM配单,阻容感国内领先优势,稳定交付。
